如何区分石材的点挂和干挂?
百变空间设计李佳男
2021-03-26
- 点挂与干挂工艺 -
石材点挂
在原结构墙上不做钢骨架,只用一个角码做支撑,固定石材用的不锈钢挂件直接安装在角码上。这种做法在原结构为砼墙且空间要求有限的情况下可以做,但要经设计和甲方同意。

点挂工艺细部节点图△
石材干挂
用水泥钉加铁丝(或铜丝),在石材背面及侧面开孔,用铁丝或(铜丝)挂住石材,并往石材后面灌浆的施工工艺叫干挂(丝挂);用角钢在墙面固定做支撑,然后用不低于5mm厚的不锈钢挂件固定石材底部及上部开槽部位的,并用云石胶填缝密封的,也称为叫干挂。
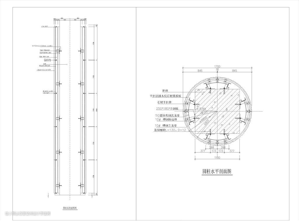
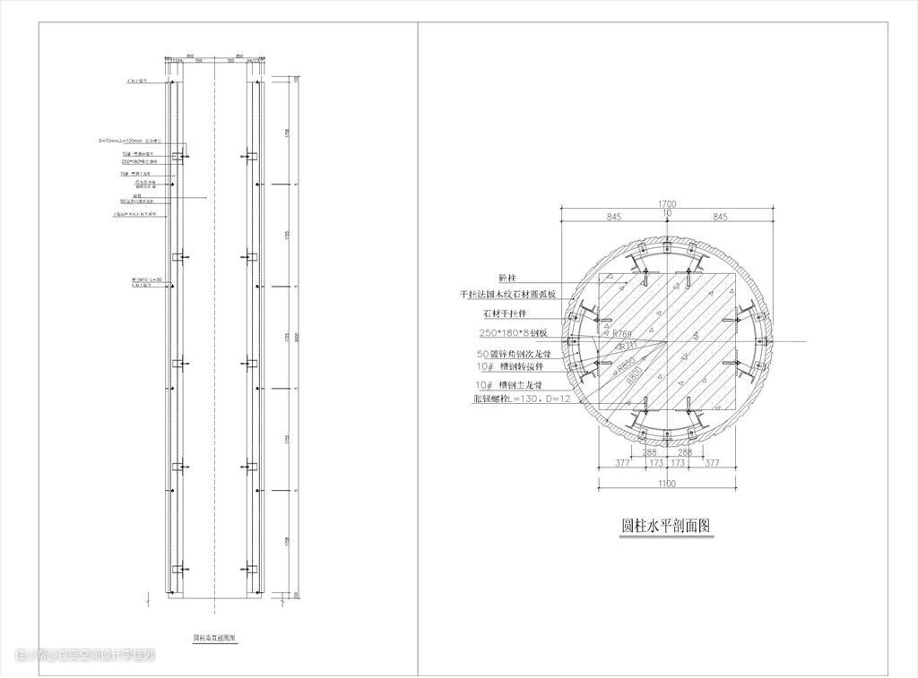
最基础的干挂类型分为两种:圆柱和方柱。

圆柱基础大理石干挂工艺横截面示意图△

三维动画演示△

方柱基础大理石干挂工艺横截面示意图△

三维动画演示△
干挂工艺的优点
1、可以有效地避免传统湿贴工艺出现的板材空鼓、开裂、脱落等现象,明显提高了建筑物的安全性和耐久性;
2、可以完全避免传统湿贴工艺板面出现的泛白、变色等现象,有利于保持装饰面层清洁美观;
3、在一定程度上改善施工人员的劳动条件,减轻了劳动强度,从而加快工程进度。
两者区别
1、点挂不需要给石材打孔,干挂要在石材背面及侧面开孔。
2、点挂是用角码做支撑,干挂是用铁丝或(铜丝)挂住石材。
3、点挂做法在原结构为砼墙且空间要求有限的情况下可以做,干挂没有相关要求。