装修那点事,点挂与干挂工艺,你都了解了吗?
红品空间原创设计
2021-03-27
- 点挂与干挂工艺 -
石材点挂
有一种在原结构为砼墙且空间,要求有限的情况下可以做的,是不在原结构墙上做钢骨架,只用不锈钢挂件做固定石材,直接安装在角码上。但是这种做法需要经过设计以及甲方的同意。

点挂工艺细部节点图△
石材干挂
用水泥钉加上铁丝或者铜丝在食材背面,以及侧面开孔,铁丝挂住食材,忘后面灌浆的施工工艺叫做干挂或者丝挂,以角钢在墙面固定作为支撑,用不低于5毫米厚的不锈钢挂件,来固定石材底部以及上部开槽位置,并用云石胶填缝密封的也叫做干挂。
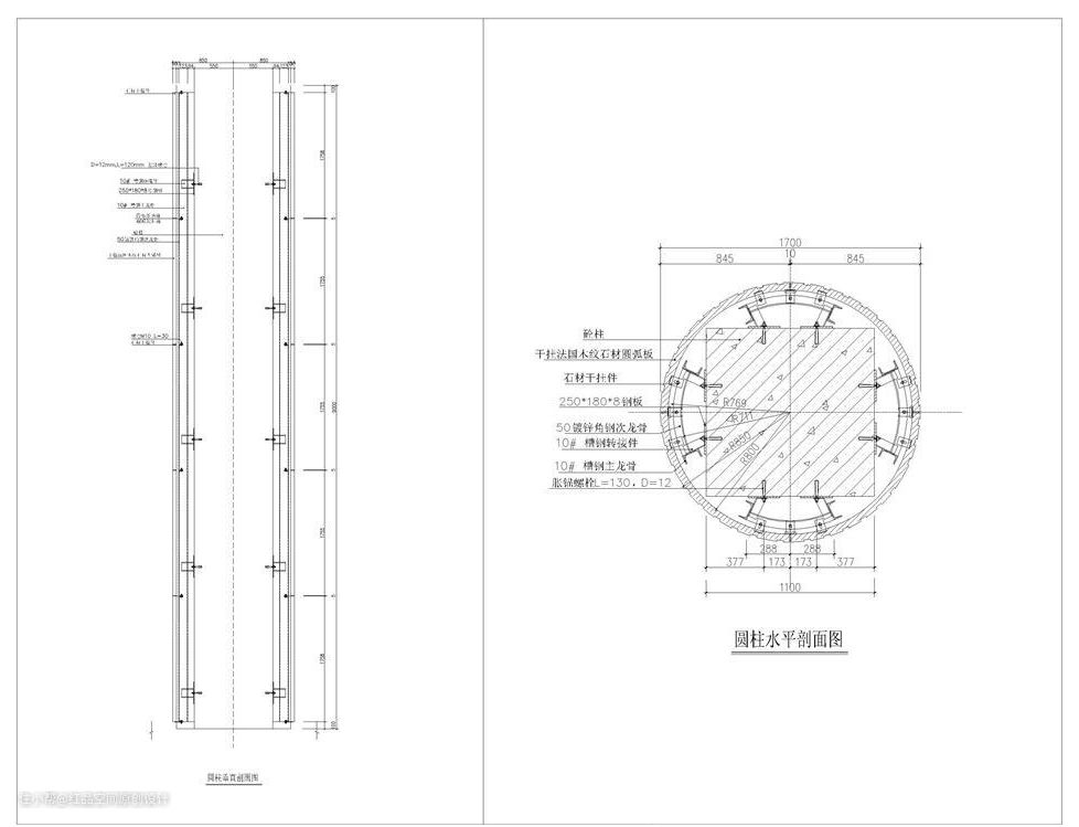
最基础的干挂类型分为两种:圆柱和方柱。

圆柱基础大理石干挂工艺横截面示意图△

三维动画演示△

方柱基础大理石干挂工艺横截面示意图△

三维动画演示△
干挂工艺的优点
关于干挂工艺的优点有很多,比如能有效避免传统工艺出现的板材空鼓开裂或者脱落的现象,可以明显提高建筑物的安全性和耐久性。
另外还能避免泛白变色现象,有利于保持装饰面层清洁美观。一定程度上也能改善施工人员的劳动条件,减轻劳动强度,加快工程进度。
两者区别
区别主要有三种,一个是点挂不需要给石材打孔,干挂需要在石材背面与侧面打孔。同时点挂也不需要用角码做支撑,干挂是要用铁丝或者铜丝来挂住石材的。另外点挂的做法在原结构为砼墙且空间要求有限的情况下可以做,而对于干挂来讲就没有相关要求。