卫生间装修,马桶移位怎么做?除了用移位器,还有哪些好的方法?
招朗恩
2021-03-23
卫生间装修,最让人们束手无策的肯定要数卫生间布局的改动了。
很多人家里的马桶位置不好,想要重新改位置,但面临着非常多的难题,比如说移位难度大,工程复杂,很可能影响马桶的排污效果,所以人们只能对不合理的卫生间布局作出妥协。

到底马桶移位要怎么做呢?其实,马桶移位改造并不难,说白了就是解决一个问题:排污横管放哪?而要解决这个问题,方法无非是下面这几种:

一、马桶移位器
使用马桶移位器实现马桶移位,绝大多数家庭都会选择这种方式,市面上有专门的马桶移位器,排污横管是椭圆的扁管,两端分别连接马桶口与原下水口,适合10-30cm以内的短距离移位。

用这种方法做马桶移位时,需要先凿除地面楼板2-4cm,然后预埋移位器,连接下水口,再做好找平与防水,铺贴瓷砖,最后再安装马桶即可。

这种移位方法优点是成本低,改动小,简单方便,但缺点是移位距离短,不适合长距离移位,如果移位距离太远,需要设置坡度,否则会影响马桶的排污效果,增加管道堵塞的可能。

二、下沉卫生间
如今很多新房子的卫生间都属于“下沉式卫生间”,这种卫生间的建筑结构是带有沉箱的,楼板一般下凹25~35cm,只有一根排污立管,排水方式为同层排水。

这种卫生间的优势是马桶、淋浴房、地漏、洗手台的下水口位置都可以自由改动,所以业主可以自由规划卫生间的布局,马桶的安装位置不受限,移位时直接根据需要安装好排污管就行了。

当然,这也说明了这种马桶移位方式的缺点——具有局限性,仅限下沉式卫生间可用。

下沉式卫生间适合远距离马桶移位,本身降板沉箱和方便排污管设计坡度,但下沉式卫生间装修时,需要注意做好二次排水,沉箱回填时建议使用轻质砖或回填宝,又或者选择架空处理。

三、楼板抬高
如果我们家里不是下沉式卫生间,不方便改动布局,但又打算做远距离的马桶移位,有什么办法呢?答案是有的,那就是——楼板抬高(借此来模仿下沉式卫生间)。

传统的卫生间是没有沉箱的,排水方式为隔层排水,把楼板抬高就是在安装马桶的位置用轻质砖或砌块做一个地台,把地面抬高18~20cm。抬高的地台,就是为了预埋排污管并且设置坡度,所以十分适合传统卫生间的远距离马桶移位。

至于缺点方面,除了工程量大以外,还要舍弃卫生间一定的层高,每次我们上厕所时还要走上台阶,十分不方便。
四、安装墙排马桶
以上的三种方法,马桶移位时,排污横管都是埋在地面的,除此外,还有一种马桶移位的方法——把排污横管埋在墙面,也就是安装隐藏式马桶。

隐藏式马桶也叫墙排式马桶,这种马桶的水箱是隐藏在墙体里的,马桶排污口不是在马桶下方,而是在马桶后方,排污横管预埋在墙体里,连接水箱和主管,马桶悬挂在墙体上,污水从墙体管道里排走。

安装壁挂马桶的优点有很多,除了看起来更美观,不留下卫生死角,容易清洁外,它还可以解决马桶远距离移位这个问题。但是,壁挂马桶安装难度大,安装成本也比较高,相较传统的落地马桶,壁挂马桶维修难度大,更容易漏水。

当然,马桶移位选择安装壁挂马桶也有一定局限性,由于排污横管要经过墙体连接到排污立管上,所以马桶移位不能移到排污立管的对角墙面,加上横管无法绕弯,如果排污立管外侧有其它的立管,这种马桶移位的方式也无法实现。

五、排污横管埋在顶面
上面提到的马桶移位方法,分别是把排污横管埋在地面、墙面,如果我说还能把排污横管埋在顶面,大家相信吗?排污横管埋在顶面,常见的方法有两个:
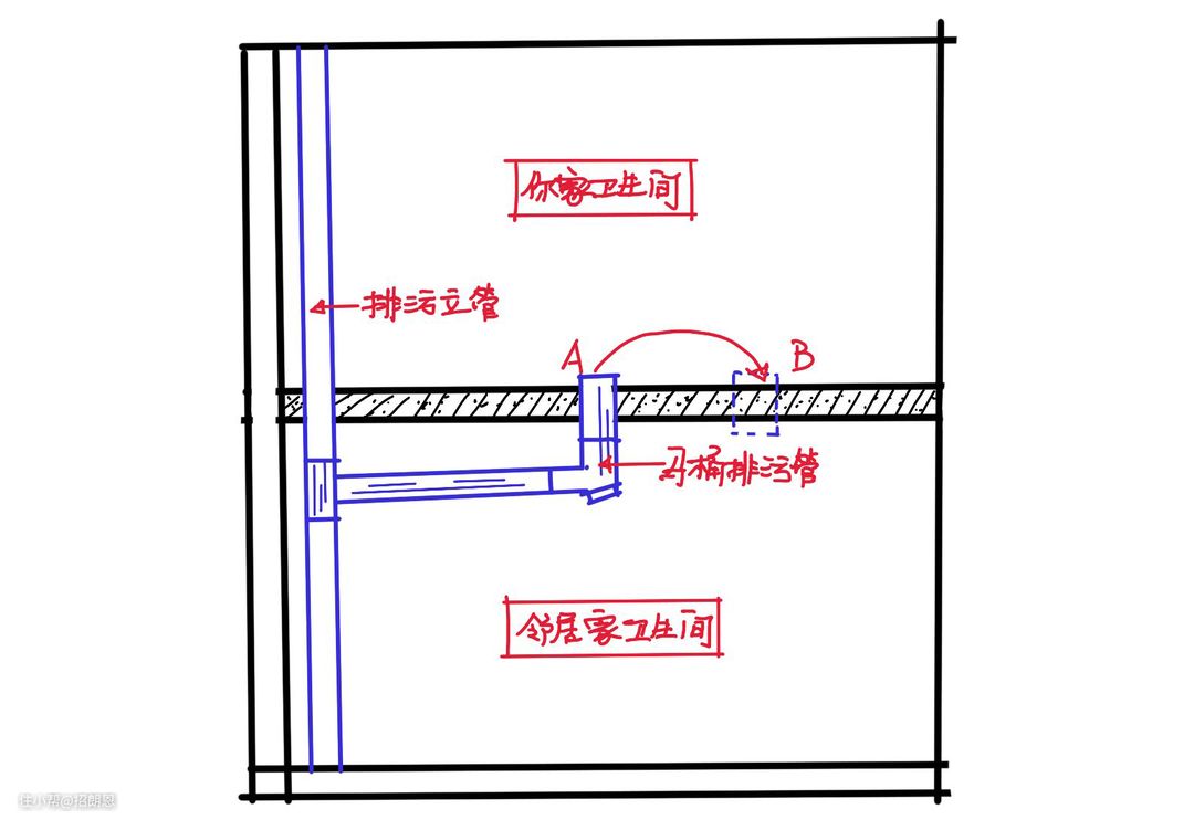
第一个方法就是直接到楼下邻居家里改造排水方式,但前提是家里的卫生间是隔层排水的卫生间(非下沉式卫生间),这种卫生间与下沉卫生间完全不同,它的布局和排水口位置是固定的,而且它贯穿楼板,安装在楼下邻居的天花板上。

因此,如果我们想要做马桶移位,最好的方法就是直接到楼下邻居家里进行排水改造,马桶移位距离不受限,布局自由。

不过,这很考验我们的邻里关系,毕竟这会给楼下邻居带来不少麻烦,管道改动太大,容易出现漏水问题,漏水时首先影响的就是楼下的邻居,所以邻居一般都不会同意我们这样做,这也导致了我们只能选择上面提到的方法——楼板抬高。

第二个方法就是使用污水提升泵,但同时也要购买后排式马桶。污水提升泵一般安装在后排式马桶后方,一边连接马桶排水口,另一边连接排污管道,然后排污管道从下往下经吊顶连接到排污立管里排走,甚至可以接入淋浴房、洗手台排水口,污水统一通过吊顶管道排走。

这种方式,别说马桶移位,哪怕是随意加一个卫生间也没有问题,不过这种移位方式的缺点也很明显,难度大,价格高,停电了会影响马桶使用,而且污水从吊顶上流过,噪音大,很多人无法接受。

总的来说,马桶移位的方法无非就是以上这几种,排污横管预埋的位置不同(地面、墙里、顶面),具体的马桶移位方式也有不同。

我们在装修时,最好是根据个人的需求以及家里卫生间的实际情况来进行选择,大家学会了吗?