坡屋面的常见渗漏问题及防水做法
朗凯奇防水建材
2022-03-29
相比平屋面,坡屋面的结构特点更有利于防雨防水。但是由于材料和施工问题,坡屋面的渗漏问题屡见不鲜。

坡屋面渗漏现象分析
强降雨天气、下雨的方向同屋面成一定角度时,雨水就会进入屋面瓦下卷材内部,通过观察发现,雨水是通过水泥砂浆结合层、保护层、存在漏点的防水层、水泥砂浆找平层及密实度不理想的混凝土结构层渗入室内,从而形成屋面渗漏。
1、渗漏部位主要分布情况
① 坡屋面上的瓦片由于破损、老化或移位,产生屋面渗漏水;
②斜沟或檐沟下方出现渗漏水或潮湿现象;
③出屋面烟道、山墙交接处和檐沟防水层开裂渗漏。
④反坎梁处积水渗漏。
2、渗漏原因
材料原因:
常见现浇坡屋面构造层次较多,各层之间均为不同的结合层来粘结,而起到防水作用的材料主要是钢筋混凝土结构层、防水层及屋面瓦。
① 由于受到水泥与水产生水化热、混凝土干缩、温度变化、等因素的影响,钢筋混凝土结构层容易出现裂缝,随着这些因素的长期影响,裂缝持续扩张,当裂缝宽度达到或超过0.2mm且是贯穿性裂缝时,一旦接触雨水,产生一定水压力时,就会产生渗漏水。
②柔性防水层密实粘结的方式附着于水泥砂浆(或细石混凝土)找平基层上,由于找平基层很薄、易于受温度变化等因素产生基层贯穿性裂缝对防水层造成裂缝反射损伤,防水层破损处产生渗漏水。
③防水材料的使用。当屋面坡度较大时,使用防水卷材施工不方便,节点细部采用卷材防水块材较小、搭接面多,无法保证粘贴质量。
④屋面瓦块体铺设的接缝太多,施工中不能保证瓦层的整体性,尤其在暴风雨时易倒呛水,引起渗漏。
施工原因:
① 混凝土坍落度控制不当,坍落度过小,影响施工操作,混凝土不易振实,造成屋面渗漏;坍落度过大,混凝土内部多余水分蒸发后会形成微小空隙,容易连通形成毛细孔隙,成为雨水渗入的通道。
②防水层施工不到位。防水卷材搭接长度不当,形成防水结点缺陷,造成渗水。
③屋面瓦施工不到位。屋面瓦上下接缝搭接尺寸不足,造成屋面雨水渗入基层;贴瓦砂浆未挤满瓦缝,砂浆和板面基层结合不密实,使瓦出现空鼓现象,水气通过这些空隙渗入板内,形成渗漏。
④ 细部结点处理不当。坡屋面往往形式较复杂、交接面多、节点多,这些部位钢筋绑扎及混凝土振捣都较困难,属于应力集中区。还有一些屋面会配有排风道、下水管、天沟等附加设施,施工时处理不好很容易引起渗漏。
坡屋面防水做法
1、坡屋面防水设计

① 坡屋面工程宜选用固定牢固、抗风揭措施可靠的块瓦屋面,其中块瓦屋面的适用坡度不应小于30%(17°),檐口应有阻挡措施和对瓦的固定措施;
② 坡屋面防水一般为“瓦+防水层”或“瓦+防水垫层”,防水层不宜选用热敏感性高的防水材料,选用卷材时除应与基层粘结时,还应采取机械固定;
③ 块瓦屋面的瓦头挑出封檐的长度宜为50mm~70mm;

④ 脊瓦与坡瓦面之间的缝隙用聚合物水泥防水砂浆找平压实,脊瓦下端距坡屋面的高度不宜超过80mm,脊瓦在两坡瓦面上的搭接宽度,两边不应小于40mm;
⑤ 平瓦屋面的泛水,宜采用聚合物水泥防水砂浆分次抹成,烟囱与屋面的交接处在迎水面应抹出分水线,并应高出两侧各30mm,块瓦伸入天沟的尺寸为50mm~70mm。
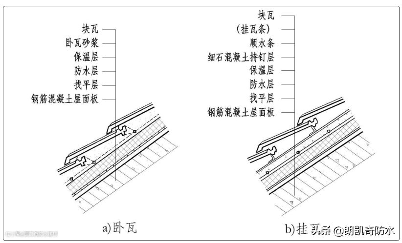
2、其他层次设计
① 坡屋面钢筋混凝土板宜采取原浆压光工艺或加浆随浇随抹压光工艺找平,后作水泥砂浆找平层时,应采用M15掺抗裂纤维水泥砂浆找平压实,养护硬化后,方可进行下一步施工;
② 瓦屋面的持钉层以及铺设防水层、防水垫层的基层应平整、干净、干燥;
③ 保温层应选用低吸收率的保温材料,并设置在防水层上面,块体保温材料应与防水层或基层粘结牢固;
④ 卧瓦屋面保温层上的保护层应选用细石混凝土,厚度不小于40mm,强度等级不低于C25;

⑤ 挂瓦屋面的顺水条宜采用掺抗裂纤维聚合物水泥砂浆,挂瓦屋面的挂瓦条可采用30mmx25mm木条或者30mmx4mm角钢,间距根据瓦片长度决定。
3、坡屋面涂料防水层施工
①基层应平整、干净、潮湿无明水。
②多组分防水涂料应按规定配比、计量准确、机械搅拌至均匀,不得有沉淀、分层现象。
③防水涂料应多遍薄涂,每遍涂覆后应待涂料完全成膜后才可继续施工。防水涂料可根据使用操作要求的厚度涂覆。
④涂料涂刷时,涂层不应流挂、不堆积、不露底,厚度均匀。厚涂时应采用专用控制厚度的刮板刮抹。防水涂料施工应具备通风挥发条件。涂层厚度应按用量控制,干燥成膜后应现场取样测量,达到要求后方可进行下一道工序施工。
注:防水涂料可选用“2.0厚聚合物水泥防水涂料(I型)+50g无纺布”或“2.0厚聚氨酯防水涂料,内衬耐碱玻纤网格布”。