
装修前
▲ 设计理念:这是一套奶油风格的装修案例。本案作为一套loft小公寓,面积仅有48㎡,是一位90后小姐姐居住。屋主喜欢温馨且治愈舒缓的生活。偏爱简约奶油风格,注重空间氛围的塑造。在不大的空间内,以奶油色打底,合理规划餐厨、客厅、休闲区,功能齐全,重构秩序与空间,减少空间的压抑感。希望能给你带来灵感。
装修后
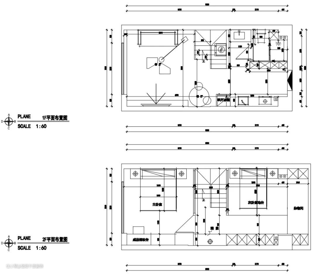
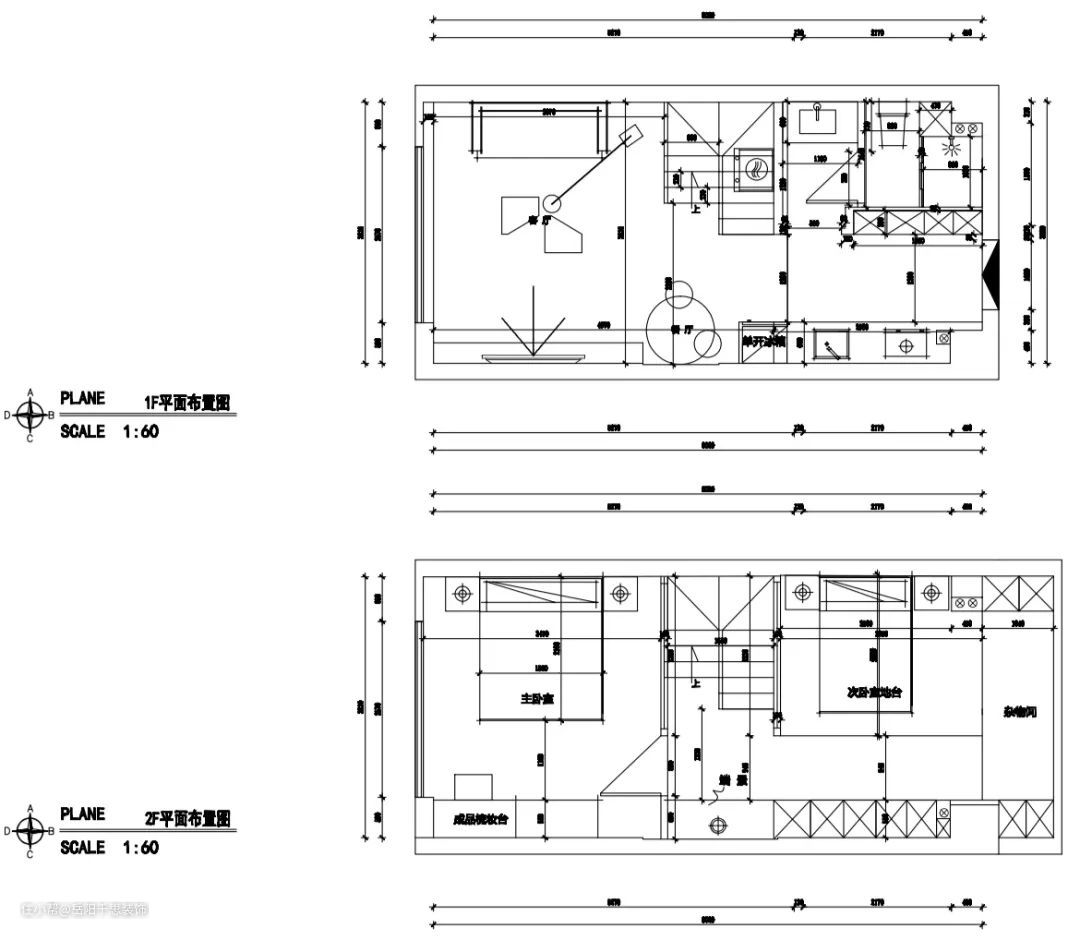
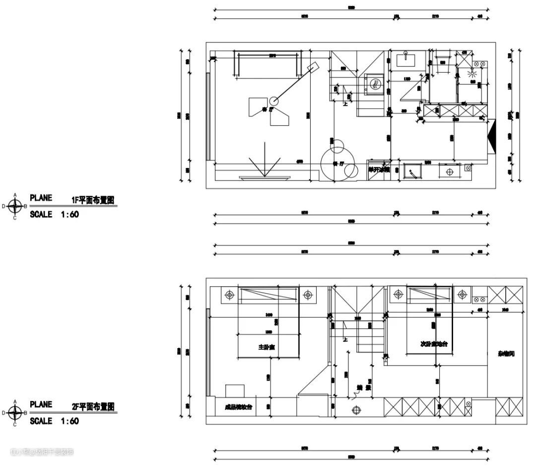
▲ 平面布置图:上下两层loft公寓,两室一厅。①延伸玄关墙面,打造开放式厨房,并与客卫入口错开设计。②客餐厅一体化,借用电视墙侧位置摆放餐桌,空间利用最大化。③二楼为睡眠区,次卧抬高30cm造地台,丰富空间功能性。



设计亮点
▲ 由于原始户型的卫生间正对厨房烹饪区,故将玄关墙面延伸,错开入口同时拓展换鞋、收纳空间,起到一举双得的效果,实用性极佳。
软装搭配
▲ 随着墙面延伸,玄关区面积增加,新增坐靠换鞋区+挂包区,提升整体舒适度。纯白色柜体通顶设计,适当的留空处理实用且美观。



设计亮点
▲ 随着墙面延伸,玄关区面积增加,新增坐靠换鞋区+挂包区,提升整体舒适度。纯白色柜体通顶设计,适当的留空处理实用且美观。
软装搭配
▲ 厨房空间并不充裕,设计上遵循实用简洁主题,没有过多的造型。上下做奶白色橱柜,搭配同色系操作台,给人一种干净的治愈感。




设计亮点
▲ 客厅,去茶几化设计,仅在窗边安置一张可储物的小圆几,视觉上拓展空间。整个公区选用无主灯照明,点到为止的陈设,温馨舒适。
软装搭配
▲ 空间色调干净简约,用色协调统一,在白色构建的空间内,辅以绿色系的地毯、抱枕点缀加持空间感。沙发旁悬浮边几增强收纳能力。选用一组极简抽屉式地台充当电视柜使用,电视墙大白墙设计,旁侧以天堂鸟绿植点缀,为干净纯粹的空间增添生机与活力,清新治愈。




设计亮点
▲ 餐厅区设计简洁大方,以大块穿衣镜为背景,利用反射增强空间感。与冰箱毗邻而设,动线设计便利有效。客餐厨之间的交互性增强。
软装搭配
▲ 奶白色圆桌精致小巧,搭配太妃糖色调的贝壳餐椅,构建温馨慵懒的用餐环境,对屋主一人来说刚刚好。布置用心的陈设,赞许家的美好。

设计亮点
▲ 纯白色踏步+感应渐变灯,结合玻璃扶手搭建温柔的楼梯区,衔接上下。顶面吸顶圆灯营造多层次光源,保障夜晚安全同时丰富视觉效果。




设计亮点
▲ 于二楼打造休息区,设计两间次卧,以玻璃代替实心墙,使得室内光线得以自然流转,打破空间的暗黑感。地面铺以温润的木地板。
软装搭配
▲ 主卧设计简洁有序,落落大方,以最少的设计呈现舒适安心的休憩空间。黑色床头搭配绿色系的床品、窗帘,营造轻盈通透的氛围。于床尾布置一张米白色极简梳妆台,可伸缩设计更为灵活方便,搭配亚克力材质的水晶椅,与复古绿窗帘交织于呼应,简洁而雅致。






设计亮点
▲ 阶梯蜿蜒而上,左侧打造次卧区域,空间以木地板包围,并抬高30cm造地台,放上床垫便可入眠。顶面极简照明,视觉上拉长层高。背景墙以木质半高护墙板装饰,与空间整体色调材质进行呼应,营造温润自然的氛围。木白相间的床头柜,与大床保持齐平设计。
软装搭配
▲ 次卧尽头是赠送面积,加以改造设计成榻榻米休闲区,拱形的垭口造型,柔和空间棱角。搭配法式窗帘,拉上便又是一个独立空间。 床尾定制一整排衣柜,一门到顶设计,保证空间视觉的统一与完整。纯白色柜体无拉手,右端设计悬空桌面+开放格,丰富空间功能性。


设计亮点
▲ 随着卫生间入口内移,面积扩大,进行干湿分离设计,提升居住者的舒适感。顺应楼梯挖空留出洗衣机嵌入位置,空间利用率提高。
