冬春季节家中提高生活品质的空气类家电产品怎么搭配看这一篇就好
赞美猴小猴
2020-03-04
前言
大家好,我是小猴。秋冬季节的到来,又到了大家抵抗雾霾入侵的时候了。然而对于改善室内空气的质量和舒适性,又不仅仅只有空气净化器一种家电设备。针对我们呼吸的空气,其实涉及到了很多种空气类家电,那么本次就让小猴带你来一起认识一下都有哪些空气类家电产品,同时告诉你应该如何选择适合自己家庭的家电组合。

空气净化器
说到冬季最为常用的空气类家电,恐怕最为常见的就是空气净化器了。自从大家逐渐认识到雾霾对于人体的损害之后,都愿意为自己的健康而购买一台空气净化器。同时,随着国内空气净化器市场的充分竞争,从最初由国外品牌高价垄断的局面,逐渐形成了国产品占主流,百花齐放,同时价位也相对合理的市场分布。

空气净化器产品的主要作用是用来过滤室内已有的污染空气,通过物理或者电学手段将空气中的颗粒物拦截在滤网或者电极上,从而达到净化空气的作用。而空气净化器净化甲醛等有机挥发物的主要手段则是通过改性活性炭的吸附作用以及部分化学反应,或者通过电场分解手段结合活性炭的组合方式。
因此,空气净化器也主要分为了静电类产品和物理拦截式HEPA滤网式产品:
1.物理过滤式空气净化器
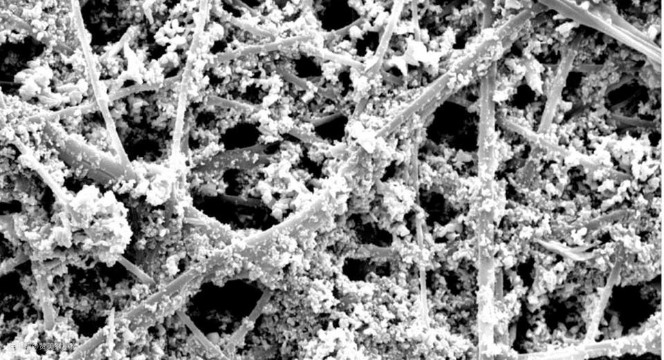
HEPA滤网是靠纤维的吸附作用来“粘”住PM2.5微尘的。纤维的直径和微尘差不多大,而各根纤维之间的“网眼”空隙就更“大”了,纤维间“宽阔”的空间允许气流顺利通过。但由于层层排列,细小的颗粒物还是不可避免的撞到杂乱交织的某一根纤维上,从而被吸附住。在这个微观尺度,纤维与微尘之间的分子间范德华力已经足以克服气流的影响,将两者“粘附”在一起。

目前国内主流空气净化器均为物理式结构,其主要优点在于技术成熟,滤网产业发达。缺点在于随着颗粒物的累计,过滤效率逐渐降低,需要定期进行更换。国内大部分净化器的HEPA滤网为平板式结构,部分高参数滤网采用了桶状结构,大大提高了颗粒物CCM累计量。不过后期使用中耗材成本依然是不可忽略的因素。同时,不同品牌间,耗材尺寸的互换性也无法做到相互替换,因此更换成本难以降低。

此外,目前这两种结构的空气净化器均采用了高碘值改性活性炭的方式对于TVOC类以及甲醛等较为关注的有害气体进行净化,尽管不同类型产品还有部分独家催化技术进行辅助,活性炭依然是目前主要的技术手段去除有害气体。
2.静电式净化器
静电式室内空气净化器则是利用电极放电的原理,使空气中的颗粒物带上正电荷,然后借助库仑力作用,将带电粒子吸附在负极电极上,实现净化空气的目的。

典型的静电式空气净化器结构,通常采用初级滤网,正极发生极,以及负极收集极板的结构来对空气中颗粒物进行吸附。

目前国内静电类空气净化产品在市场上份额较小,主要原因在于消费者初次购机成本要比物理式空气净化器高出50%-100%,对于初次接触此类家电的人群来说较难以接受。同时,对于有一定认知的消费者来说,静电式的过滤原理由于会产生一定量臭氧释放,对于部分敏感人群并不适合。尽管目前市面产品均符合国家臭氧释放的标准,不过对于此类型产品依然存在观望态度。不过,静电式空气净化器的好处也显而易见,后期使用完全零耗材的优势使得在空气污染严重地区的使用成本大大降低。
抽湿机
相较于北方消费者冬季更加关注空气质量的问题,南方地区尤其是沿海地区则更为关注空气中湿度过大的问题。冬季阴冷潮湿带来了体感温度更加刺骨,因此抽湿机作为南方地区近些年较为火热的家用电器又成为了市场上火爆的一款产品。

从原理上来说,抽湿机的工作原理与冰箱,空调等利用压缩机制冷类似,不同的是抽湿机利用的是冷媒制冷和放热过程中的高低温变化,使得空气中水分在两器上进行凝结,并收集。从而降低空气中的湿度,达到人体最佳的体感温度。
1.除湿机原理

除湿机的原理是通过压缩机做功产生高低温差,使得水汽在两器上凝结,并汇集到水箱中。
抽湿机的工作原理分为:
1.除湿机的内循环:
通过压缩机的运行→排气口排出高温高压的气体→进入冷凝器冷却→变成低温高压气体→通过毛细管截流→变成低温低压的液体→通过蒸发器蒸发吸热→回到压缩机变成低温低压的气体。如此循环往复。
2.除湿机的外循环:
在正常开机的情况下→通过风机的运行→潮湿的空气从进风口吸入→经过蒸发器→蒸发器将空气中的水份吸附在铝片上→变成干燥的空气→经过冷凝器散热→从出风口吹出。
目前,大部分抽湿机都是按照额定除湿量来分为不同的价位区间的,具体可以根据自己的房屋大小来选择适合自己房间的机型。
2.所谓额定除湿量
额定除湿量的定义为:以温度30℃,相对湿度80%为环境前提的测试结果,单位用“L/D”来表示。是目前国内市场普遍采用的一种标示方法。一般除湿机产品说明说或铭牌上标明的除湿量多为“额定除湿量”的定义。

3.除湿机的选择
目前,我们的国标中没有相应房屋面积与除湿量的选择参考数据,但我们可以借鉴美国的AHAM标准,该标准列明了在5种空间大小和4种环境潮湿严重程度下所匹配的除湿量大小。

此外,在多功能配置上,除湿机还附带有除湿,干衣服,净化空气,负离子净化等其他附加功能。因此,除湿机不仅可以用来抽取空气中的水分,还可以额外提供烘干功能以及对空气的简单过滤功能,实现一机多用。
加湿器
加湿器作为北方供暖地区的消费者来说,绝对是一件冬季必备的小家电了。众所周知人体的最佳舒适适度应该在60%RH左右,而我国北方地区由于寒冷的气候,经常使得空气中的湿度只有20%RH甚至更低。因此,就需要选购一台合适的加湿器来保证室内湿度合理。市面上大部分加湿器主要分为超声波式加湿器和冷蒸发式加湿器。
1.超声波式加湿器

目前加湿器市场上主要以超声波换能式产品为主,主要特点在于价格便宜,加湿量大。缺点也很明显,由于超声波震动所产生的水珠颗粒属于颗粒物的一种,因此会造成局部区域的颗粒物浓度增高,从而造成空气净化器对于室内空气判断错误而处于大负荷运转状态。此外,最重要也是被大部分人忽略的是,超声波加湿器对所用的加湿水的要求较高,一般建议采用凉开水或者净化水,这对于大部分消费者来说通常很难做到。
2.冷蒸发式加湿器
而近些年火热的冷蒸发式空气净化器,则是采用了蒸发滤网或者蒸发盘的结构,利用风扇加快蒸发速度。优点在于由于水分子是自然蒸发到空气中,因此不会将水中的钙镁离子、余氯、重金属等其他物质散布在空气中,因而可以直接用自来水加湿。缺点则是需要定期更换加湿滤网或者清洗滤网,相比超声波式加湿器后期会多出一部分耗材成本。

飞利浦的冷蒸发式结构算是比较经典了。
当然还有日系空气净化器喜欢使用的轮式加湿滤网结构,由于其目前大部分是作为空气净化器的附加功能而没有单独作为产品生产,这里不作为单独类型来说。

3.加湿器的选择
在选购时,两种加湿器的型号都主要以单位小时加湿量以及水箱容量为主要参数,可根据房屋面积选择适合自己的产品型号。目前主流加湿量在200ml/h-1000ml/h之间居多,随着加湿量的增大,产品价格相差很大。选择适合房屋面积的加湿量大小大体上根据需要加湿的房屋面积10~15倍数值来计算额定加湿量,例如20㎡可以选择选择200mL/h~300mL/h的机型。
新风系统
新风系统,顾名思义,就是将户外新鲜空气引入室内的一种家用空气类电器产品。新风系统通常都是是由送风系统和排风系统所组成的。它分为管道式新风系统和无管道新风系统两种。
1.管道式新风系统
管道式新风系统由新风机和管道配件组成,新风机通过新风管道将净化后的室外空气导入室内,并通过管道将室内空气排出形成风道通路;

2.壁挂式新风系统
无管道新风系统又称壁挂新风系统,则是仅由新风机组成。直接由新风机将净化后的室外空气直接导入室内。管道式新风系统的工程量大,更适合工业或大面积办公区区域使用;而无壁挂式新风系统,因为其后装的方便性,无需走管道因而更适合于家庭使用

如何搭配适合自己的空气类家电组合
看了以上一堆电器产品,是不是一脸懵逼不知道怎么搭配使用。下面就让我来帮你搭配一下这些电器的用途和搭配吧。
1.北方用户组合
众所周知我国北方地区冬季采暖季开始后,通常也是雾霾的高发期。因此搭配空气类家电讲究的是保证空气质量和湿度两个原则。建议使用新风系统+空气净化器+加湿器的搭配进行使用。
新风系统,引入新鲜空气,同时排出室内污秽空气,保证室内的氧气浓度。
空气净化器,保证局部密封环境的空气质量,同时在冬季不开窗的环境下最大限度降低室内甲醛等挥发性污染物浓度。
加湿器,调节室内空气湿度,保证室内最佳的空气湿度。需要注意的是超声波式加湿器应保持与空气净化器足够的距离,以免造成空气净化器的误认为颗粒物浓度增高。
当然,以上组合只是最为理想的情况,如果当地空气不错的时候,单独使用一种电器都是没问题的。空气好的时候,勤开窗通风换气的老方法,还是最为省钱的。
2.南方用户组合
而南方地区冬季的空气状况则略显复杂,部分地区湿度大,冬季户外空气也不好。部分沿海地区户外空气好,但是湿度大,同时又有除甲醛的需求。因此,建议使用新风系统+空气净化器+抽湿机的搭配进行使用。
新风机,将户外新鲜空气引入户内,同时排出屋内污秽空气,保证氧气浓度。
抽湿机,降低室内空气湿度,保证最适宜的人体空气湿度,同时也能够一定程度降低人体的舒适感。
空气净化器,降低室内有害气体浓度,同时保证局部空气质量。
同理,以上三种电器的组合方式仅适用于户外空气较差,同时空气湿度较高的环境时,其他情况下,完全可以根据需求单独使用一种电器即可。
总结
随着人们对于生活品质的提高,对于居住环境舒适性的要求也越来越高,今后也将出现越来越多的提高我们舒适性的家电产品,如何用好这些家用电器,提高我们的生活质量也将会是一个永无止境的话题,这次就为大家简单分析了这四种冬季空气类家电的功能和搭配方法,如果大家还有更好的使用方法欢迎在评论区进行分享。