卫生间马桶移位怎么做才好?#空间美好设计
百变空间设计李佳男
2021-04-23

埋地面
01 使用移位器
这个方法适合100-350mm尺寸以内的短距离移位,不要超过400mm,越长堵的机率也就越大,首先得购买成品移位器。现在市面这类移位器横管多是椭圆的扁管,管高度只有约60mm。

其次在做防水前,凿除地面楼板20-40mm。预埋移位器,一端连接原有马桶管,另一端放到想要移的位置。

接下来浇地平,做防水,高度约20mm。正常铺贴瓷砖,高度约30mm。安装马桶。

安装移位器有这样的特点:优点是改动量小,成本低。缺点是移位距离较短,距离超过300mm时需要设置坡度,否则会增加堵塞风险。
02 同层排水——楼板降板
这个方法适合卫生间建筑结构已经有降板的房子(卫生间楼板下凹),如果卫生间的楼板已经降板,也就是地面下凹(一般250-350mm不等),可以任意布置马桶以及其他下水口位置。


采用这种方式应该注意回填材料建议采用轻质砖或砌块。其优点在于最方便的移位,位置不限。缺点是需要卫生间本身已经降板,不具有普遍通用性。
03 同层排水——楼板抬高
适合家中没有腿脚不方便的人群。
布置马桶排污横管(约110mm直径),用轻质砌块砌筑底台180-200mm,把排污管预埋,正常做地坪防水贴地砖。


采用这种方式时应注意抬高高度以一个踏步的高度(180-200mm)为宜,砌筑材料建议采用轻质砖或砌块。
这种方式的优点是移动距离长,位置不限,布局自由。缺点是家里有老人会不方便,工程量较大。
埋墙面
01 隐藏式水箱
这种水箱适合较大距离的移位。
首先安装立管三通,连接横排污管至需移位处。


安装固定水箱,连接水箱和排污管。

砌筑矮墙封闭水箱和管路,厚度180-220mm,高度根据水箱型号不同900-1200mm。

最后安装马桶,挂墙式和落地式都可以。

这种方式移动距离很大,完成后美观、易清洁。但缺点则在于无法移至排污立管的对角墙面。此外下图这种排污立管外侧有其他立管的也不行。

埋顶面
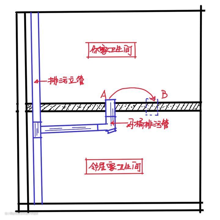
01 隔层排水——到邻居家改排水
这个方法适合邻里关系和睦的人群。先看下图,隔层排水的示意图,你就知道为什么要和睦了。

用这种方式,最好是新房,楼下邻居家还没装修,一定要和邻居家处好关系。
这样做的优点在于移位距离不受限制,布局自由。缺点则是考验邻里关系和你的社交公关能力了!不过如果你家是别墅,那就随意改吧!
02 污水提升泵
这种适合想随意加个卫生间的人群先看个图,污水提升泵就这样儿,尺寸其实挺小的,比小厨宝略大一点点。

03 购买后排式马桶
提升泵安装在马桶后面,建议明装。如果断电的话泵上面的按钮可以手动,还有就是检修方便。

实在要隐藏泵的,也建议预留检修门,如下图。

管路经过处需要做吊顶,否则影响美观。由厂家专业人员上门安装污水提升泵,再连接马桶即可。(如下图)

这种方式不要说移马桶了,就算你想随意加个卫生间都没问题。
缺点是你要能接受污水从吊顶上过的方式;停电的话会影响使用。造价增加一台污水提升泵约3K-5K,辅材和人工1K-2K不等。