
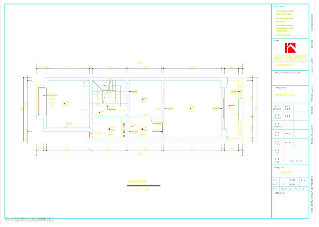
项目背景: 本项目位于海逸豪庭,是一套面积为180㎡的上叠别墅。业主为香港人,其生活态度干练潇洒,追求简约自由的生活方式。他常年在香港工作,对于家居设计有着明确的要求:简约、质朴,同时注重实用性和性价比。 设计理念: 本设计以“简约自由”为核心,力求在有限的空间内,创造出无限的可能。整体设计以白色和灰色为主色调,通过简洁的线条和精致的装饰,营造出一种宁静而高贵的氛围。同时,我们注重空间的功能性和实用性,以满足业主日常生活的各种需求。 空间规划: 客厅:作为别墅的核心区域,客厅宽敞明亮,采用开放式设计,与餐厅、厨房等区域自然衔接。整体色调以白色为主,搭配灰色沙发和茶几,简约而不失格调。 衣帽间与卫生间:为了满足业主的储物和洗漱需求,我们将衣帽间与卫生间设计为一体。衣帽间区域规划得井井有条,定制衣柜、储物柜等储物空间充足,方便业主收纳衣物和配饰。卫生间区域则采用防水、易清洁的材质,确保空间的干净与整洁。同时,我们注重通风和采光设计,让空间更加舒适宜人。 卧室:卧室设计注重舒适性和私密性。采用柔和的色调和温馨的灯光设计,营造出一种宁静舒适的睡眠环境。同时,我们为卧室配备了充足的储物空间,方便业主收纳衣物和私人物品。 厨房与餐厅:厨房采用开放式设计,与餐厅紧密相连。整体色调以白色和灰色为主,搭配简约的橱柜和餐具,营造出一种时尚而实用的氛围。餐厅区域则采用圆形餐桌设计,方便家人和朋友聚餐交流。 材质与色彩: 整体设计以白色和灰色为主色调,搭配木质地板和天然石材等自然材质,营造出一种质朴而舒适的感觉。同时,我们注重材质的环保性和耐用性,确保装修材料的品质和安全。 总结: 本设计以“简约自由”为核心,注重空间的功能性和实用性。通过合理的空间规划和材质选择,我们为业主打造了一个既简约又舒适的家居环境。同时,我们注重细节处理和人性化设计,让业主在日常生活中感受到更多的便利和舒适。

















