搭建家庭LED智能调光照明系统,这是一些必备基础知识
家加智能
2020-11-25
调光是高端智能家居系统的标配。

LED调光指的是LED灯具的亮度、色温甚至颜色都可以进行调节,只有可以进行调光的灯具,才能做到慢慢亮起、慢慢关闭、不同的情景提供不同的亮度不同的色温,且灯光切换可以平滑过渡,所以说,高端的智能家居系统,标配可调光的照明系统。
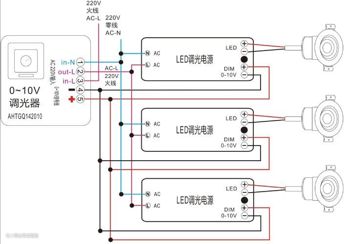
对于一个可以调光的LED灯具,至少包含调光驱动组件和发光组件,有的还更细分为调光组件、驱动组件和发光组件。例如下图的调光系统,调光器为0-10V调光器,驱动器即LED调光电源,之后接LED灯具。

当然,大部分智能可调光灯具直接将这些集成到一个灯具里,通过wifi或者ZigBee等网络接入,就可以直接进行调光了,这种调光灯具使用起来是非常方便的,只需要为灯具接通电源然后连接网络即可通过智能家居系统实现调光控制。

LED驱动器
而对于一些单独的LED灯具、灯带等,不具备调光组件,理论上仍然是可以调光的。从基本原理上看,LED的调光方式有三种,分别是线性调光、PWM调光和可控硅调光。其中线性调光因为效率低,调光效果差已经逐渐被淘汰,可控硅调光可适用于普通白炽灯和LED灯,所以可以直接替换,但是其对LED灯具的调光效果不理想,所以应用也比较少;应用最广泛、调光性能最好的就是PWM调光。

双色温灯带可以看到白色和暖黄色灯珠
色温调节和色彩调节,本质上是多路LED的单独调亮度。例如色温调节,是通过两路调光,一路是白色LED,一路是暖黄色LED,通过两路LED的亮度不同来营造不同的色温,当然,这些LED是做在一起的,可调色温的灯带,大家就可以在其中看到白色LED和暖黄色LED。色彩则是RGB三色LED或者RGBW四色LED的不同亮度搭配,本质上是三路或者四路LED的亮度调节。
对于调光模块接入智能家居系统的方式,常用的有三种:
一种是将通讯模块直接和调光驱动模块集成,也就是调光模块和智能控制模块做在一起,直接通过wifi或者ZigBee等方式实现控制,智能可调光灯具本质上就是属于这一种;
第二种就是0-10V,调光驱动接收0-10V的模拟控制信号来控制灯具亮度,这种方式如果要接入需要增加一个中间组件,实现网络通讯和0-10V信号的互转;
第三种是DALI,纯数字调光,每个灯具具有一个地址,通过纯数字控制的总线等方式实现对每个灯的精确控制,成本高,性能好,主要用于有线控制。
当然,还有一些其他的接入方式,相对小众,这里就不多说了。

目前对于可调光灯具的智能家居接入,除了可以直接接入的智能可调光灯具外,主要就是依靠集成有智能控制模块的可调光模块,也就是上文所说的第一种和0-10V接入模块,也就是上文所说的第二种。
最近Aqara推出的调光系统,其实就是以上所述的组件,例如集成的智能可调光驱动器,可以直接对接常见的LED筒灯、射灯、灯带等,ZigBee转0-10V模块,则可以对接各种0-10V调光驱动器,让可调光灯具的可选范围大大提升。
